por Zetor Agrorepuestos | Oct 18, 2025 | Uncategorized
Repuestos originales Zetor: el inventario más grande de América Latina En Agrorepuestos Veru S.A.S Zetor Agrorepuestos. comprendemos que cada tractor Zetor representa la fuerza y la tradición del trabajo agrícola en América Latina.Por eso ofrecemos el inventario de...
por Zetor Agrorepuestos | Jul 26, 2025 | Uncategorized
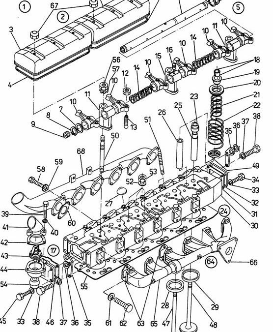
Las válvulas de admisión y escape son componentes esenciales del motor, encargadas de regular el ingreso de aire y la expulsión de gases en la cámara de combustión. Cuando la holgura entre la válvula y el balancín no está bien ajustada, pueden presentarse varios...
por Zetor Agrorepuestos | Abr 15, 2025 | Uncategorized
Entre los años 1993 y 1998, John Deere comercializó en varios mercados de América Latina los modelos 2300, 2400 y 2800. Aunque llevaban el nombre y los colores característicos de la marca estadounidense, estos tractores fueron en realidad fabricados por Zetor, un...
por Zetor Agrorepuestos | Abr 15, 2025 | Uncategorized
✍️ Contenido del artículo: Cuando se trata de repuestos para tractores Zetor, identificar una bomba de agua original puede marcar la diferencia entre un funcionamiento confiable o un fallo prematuro. En esta guía te mostramos cómo diferenciar una bomba original Zetor...
por Zetor Agrorepuestos | Abr 14, 2025 | Uncategorized
El reductor planetario en el eje delantero de los tractores Zetor de las series 62 y 72 es un componente vital para la tracción 4WD. Su correcto desmontaje es clave tanto para el mantenimiento como para la reposición de piezas desgastadas. A continuación, te...
Comentarios recientes